Home
Supplier
Estimator
Tools
Forging
Injection Molding
Powder Metallurgy
Dies & Mold Tools
Shipping
CBM Calculator
Tariff Calculator
Shipping/Freight
CycleTime Calculator
Material Rate
Part Information
About us
Our Services
Part Cost Estimation
RFQ Quote Management
Supplier Identification and Development
Supply Chain management
Engineering Services
Business Improvement Services
Business Data Interpretation Services
Quality Management Services
Lean Manufacturing Services
Login/Register
User Login
Corporate Login
Register as Supplier
EstiSource-Powder Metallurgy
X
Estimate for:
Poland
USA
Brazil
China
Morocco
Mexico
India
Italy
Germany
Spain
France
S.Korea
Japan
Canada
UK
Australia
Indonesia
Russia
Turkey
Taiwan
Poland
USA
Brazil
China
Morocco
Mexico
India
Italy
Germany
Spain
France
S. Korea
Japan
Canada
UK
Australia
Indonesia
Russia
Turkey
Taiwan
Part Details
Annual Volume :
Value should be less than 9999999
No. of Setups
(12)
:
Value should be less than 9999999
Powder Metallurgy
Refresh
Estimate Cost
*All Values must be greater than zero
Part Details
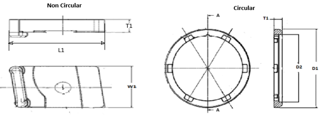
Part Shape
Non Circular
Circular
Length (mm)
*
Width (mm)
Outside Diameter D1 (mm)
*
Inside Diameter D2 (mm)
value should be less than D1
Thickness T (mm)
*
Weight Details
Estimated Weight (kg)
Override Weight (kg)
Net Weight
Gross Weight
Process Description
Select All
Operation Cost (Local Currency)
USD
Override Cost in Local Currency
Powder Mixing
Input Values
Part length
Inside Diameter
Part wt
Pieces/hour
Compacting
Input Values
Part length
Inside Diameter
Pieces/hour
Sizing
Input Values
Part length
Inside Diameter
Pieces/hour
Sintering
Input Values
Part length
Inside Diameter
Pieces/hour
Hardening Tempering
Input Values
Tempering Part Weight
Pieces/hour
Machining
Grinding
Input Values
Grinding Length
Pieces/hour
Infiltration
Input Values
Infiltration Part Weight
Pieces/hour
Coating/Plating
Input Values
Pieces/hour
Resonance/Final Inspection
Input Values
Pieces/hour
Oiling Packaging
Input Values
Part Weight
Pieces/hour
Total Process Cost
Estimate Cost
Cost Breakup Details
Cost Breakdown/Piece ()
Input values to update cost
Material Cost
Conversion Cost
SGA Cost
Profit Cost
Packaging
Freight
Tooling-Rejection Others
Total Cost
Help us Improve/Provide Feedback/Report Bug
Feedback/Suggestion/Bug Reporting
Feedback/Suggestion/Bug Reporting
Submit